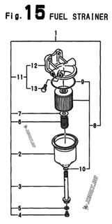
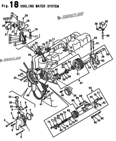
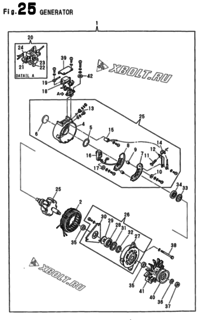
Перейти к выбору узлов двигателя 6G135T-SE
ROCKER ARM двигателя Yanmar 6G135T-SE
Выберите необходимую деталь в онлайн каталоге или из списка
Масштаб: