Главная / Каталог / Yanmar / Yanmar 4TNV88C-KMS / Электродетали двигателя Yanmar 4TNV88C-KMS
Перейти к выбору узлов двигателя 4TNV88C-KMS

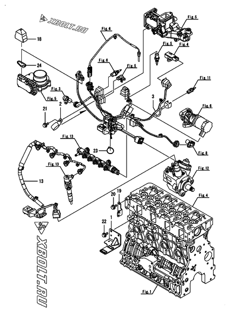
Электродетали двигателя Yanmar 4TNV88C-KMS

Выберите необходимую деталь в онлайн каталоге или из списка
Масштаб:    
 Электродетали двигателя Yanmar 4TNV88C-KMS
Номер Название Цена, руб
1 129A00-77930
BRACKET, CONNECTOR
По запросу В корзину
2 129928-79700
CLAMP, 150-M8
По запросу В корзину
3 129C00-91222
HARNESS, B T4
По запросу В корзину
13 129C00-91231
HARNESS C,ECO ENGINE
По запросу В корзину
18 129A00-91451
BOOT, CAP TYPE
По запросу В корзину
19 129A00-91600
BRACKET, HARNESS
По запросу В корзину
20 26106-080122
BOLT, M8X 12 PLATED
По запросу В корзину
21 26106-080122
BOLT, M8X 12 PLATED
По запросу В корзину
22 26106-080122
BOLT, M8X 12 PLATED
По запросу В корзину
23 29621-100000
BAND, TR100
По запросу В корзину
24 29621-200000
BAND
По запросу В корзину

Другие узлы двигателя Yanmar 4TNV88C-KMS